dd15 coolant hose diagram

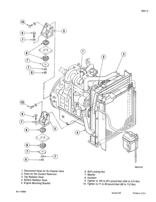
Nov 11 2018 1. Remove the HT2 line and hose.


Coolant Under Air Cleaner On Top Of Valve Cover Ih8mud Forum

Refer to section Removal of the Coolant Crossover Pipe.

. If you are looking for Husqvarna 125b Fuel Line Diagram Diagram youve visit to the right place. Downsped Engines Improved Fuel Economy. We have 9 Pictures about Husqvarna 125b Fuel Line Diagram Diagram like.

Ties to neaten the wires. The DD13 and DD15 with downsped 400 HP and 1750 lbft rating deliver greater horsepower and torque at lower RPMs keeping your truck. The coolant temperature sensor is at the RH front of the engine at the engine coolant outlet to the top of the radiator.

Remove the threaded fitting for the EPA07 HT2 line from the heater return manifold or shutoff. Evans Waterless Coolant Prevent Engine Overheating. Coolant leak on 2014 Freightliner with DD15 Discussion in Heavy Duty Diesel Truck Mechanics Forum started by PE_T Nov 11 2018.

Disconnect the Intake Throttle Valve ITV electrical harness connector. Heres a great one for you. LINE - COOLANT ENGINE SUPPLY TUBE DD15 We use cookies and data analytics to ensure that we give you the best experience on our website.

The Electrical Circuit Diagram can easily help you with any maintenance that you may need to do for Detroit EPA10 DD15. Close the radiator drain and install the. A05-31546-000 - Hose - Radiator Coolant M1400 DD13 DD15 Manual Transmission - Big Rig World carries Genuine OEM and Aftermarket parts to repair your vehicle at the lowest prices.

A coolant test can verify if there are combustion gases present in. Remove the Coolant Crossover Pipe. Get your genuine OEM DDE A4722000152 Detroit Coolant Line Fuel Module to Air Compressor DD15 at Diesel Dash an authorized diesel parts dealer.

Drain the cooling system enough to empty the HT2 line. These two lines after 500k miles are so brittle you better not touch them better yet dont look at them or theyll break. This guide covers how to read and use this diagram colored.

In this video I go over how I found a DD15 Coolant Leak on a DD15 Detroit Diesel engine. PE_T Road Train. If you continue.


Case 9010 Excavator Service Repair Manual


Detroit Dd15 Air Compressor Heavy Truck Parts For Sale Tpi


Elsa Online Elsawin Elsaweb Audipower Unittdi Injection And Glow Plug System 4 Cyl 1 6 Ltr 2 0 Ltr 4 Valve Common Rail Fuel Preparation System Diesel Injectioninjection Systemoverview Of Fitting Locations Injection System


Detroit Dd15 Engine Demand Detroit


2010 Freightliner Cascadia 125 Portland Fuso


Freightliner Cascadia 2019 Coolant Line Replacement Ocm To Air Compressor Busted Knuckle Diesel Dr Youtube


D16z6 Coolant Bypass For Aftermarket Throttle Body Help With Description Honda Tech Honda Forum Discussion


Mocal Ot 4 Billet Oil Cooler Remote Thermostat Oil Cooler Remote Thermostats Oil Coolers Kits Fittings Main Section Matt Lewis Racing Ltd


Detroit A4722000052 Water Transfer Tube


Detroit Dd15 Engine For A 2010 Freightliner Cascadia 125 For Sale Fresno Ca 1984297 Mylittlesalesman Com


Freightliner Century Class Columbia Coolant Tube For A 2000 Freightliner Cst120 Century For Sale Hudson Co 39624 Mylittlesalesman Com


185 5148 Air Compressor Gp S N 6nz4944 99999 9nz1 Up 16 Cfm 1 1 2 Drive Ratio Also An Attachment C 15 Avspare Com


Amazon Com Ddtp Hk23506325d Detroit Diesel S60 12 7l 2 75 X 3 4 Ply Coolant Hose With Clamps Automotive


Radsa Radiadores San Pedro Sula Facebook


Activated Charcoal Container Vent Hose Vw Polo Polo Jin Qin


Dd6 Engine Diagram Youtube


The Catalogue Kraz

Iklan Atas Artikel

Iklan Tengah Artikel 1

Iklan Tengah Artikel 2

Iklan Bawah Artikel